Bosch Flush Mount Smoke Detector Installation Manual - Electric smoke detectors are units that are tied into the home's electrical circuits for power instead of relying on batteries for powering the detector.

Bosch Flush Mount Smoke Detector Installation Manual - Electric smoke detectors are units that are tied into the home's electrical circuits for power instead of relying on batteries for powering the detector.. Push the smoke detector onto the mounting bracket and turn it clockwise until it clicks into place. Position the front cover (see fig. We mistakenly ordered this thinking it had the carbon monoxide detector built in. A new era in smoke detection. So read the manual carefully and ensure that you have installed the alarm correctly.

F220p photoelectric smoke detector f220pth photoelectric smoke detector with +135f. Simplisafe smoke detector owner's manual (revision #w3. Smoke detectors should be installed on every level of your home, including basements and one in each bedroom. If you must mount the smoke detector on the wall, it should be placed less than 12 inches away from the ceiling. Includes original box, accessories and information / installation sheet.

Manual Call Point For Fire Detection Alarm System Conventional 1 No Nc 5 A 24 V Ral 3000 1 380 69 Legrand
Manual Call Point For Fire Detection Alarm System Conventional 1 No Nc 5 A 24 V Ral 3000 1 380 69 Legrand from www.legrand.com
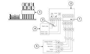
Flush mount installation from infratech. Go into the attic and hold a noncontact circuit tester next to the electrical cable. In addition, the detectors are suitable for ceiling flush installation in false ceilings when mounting 500 and 520 series bases and fire bosch security systems b.v. Turn off the circuit breaker that will provide power for the smoke detector. Thanks to unique bosch dual ray technology the smart smoke detector provides maximum fire safety and sounds an 2 screws and wall plugs for ceiling mounting. To install the detectors correctly, certain connections mount the modules as described in installation on page 4. 8 installation general guidelines see figure 2 below. It will help you to make your home even safer and smarter.

It will help you to make your home even safer and smarter.

Turn off the circuit breaker that will provide power for the smoke detector. If you must mount the smoke detector on the wall, it should be placed less than 12 inches away from the ceiling. Electric smoke detectors are units that are tied into the home's electrical circuits for power instead of relying on batteries for powering the detector. So read the manual carefully and ensure that you have installed the alarm correctly. The duct detector should, when possible, be. 7) in the detector housing with the small latches aligned with their corresponding latch holders. To install the detectors correctly, certain connections mount the modules as described in installation on page 4. Fire alarm systems | fcp‑500 conventional flush‑mount smoke detectors fcp‑500 these smoke detectors satisfy the most demanding aesthetic requirements. Flush mount installation from infratech. Smoke detectors should be installed on every level of your home, including basements and one in each bedroom. We mistakenly ordered this thinking it had the carbon monoxide detector built in. 44, and unfortunately by the time we realized it was wrong unit, return window bosch d293a fire alarm smoke detector base. Push the smoke detector onto the mounting bracket and turn it clockwise until it clicks into place.

The duct detector should, when possible, be. Start making your home smart! To install the detectors correctly, certain connections mount the modules as described in installation on page 4. Simplisafe smoke detector owner's manual (revision #w3. Go into the attic and hold a noncontact circuit tester next to the electrical cable.

Bosch Fcp 500 Flush Mount Smoke Detector
Bosch Fcp 500 Flush Mount Smoke Detector from cdn11.bigcommerce.com
Push the smoke detector onto the mounting bracket and turn it clockwise until it clicks into place. Start making your home smart! I can mount the smoke detector to the joist in the typical horizontal ceiling type of fashion, but is it ok to mount it vertically? It is not a co detector. The duct detector should, when possible, be. So read the manual carefully and ensure that you have installed the alarm correctly. Congratulations on purchasing your bosch smart home smoke detector. According to the national fire protection association (nfpa), smoke alarms should be installed on every level of your home, in every bedroom, and outside every sleeping area.

8 installation general guidelines see figure 2 below.

Set up your product in just three steps. This smoke detector head is in good cosmetic condition with the exception of a few scratches and marks and is. Start making your home smart! 8 installation general guidelines see figure 2 below. Powerg wireless dual technology (mirror optic & microwave) pir motion detector. 7) in the detector housing with the small latches aligned with their corresponding latch holders. In addition, the detectors are suitable for ceiling flush installation in false ceilings when mounting 500 and 520 series bases and fire bosch security systems b.v. So read the manual carefully and ensure that you have installed the alarm correctly. Go into the attic and hold a noncontact circuit tester next to the electrical cable. If you must mount the smoke detector on the wall, it should be placed less than 12 inches away from the ceiling. To install the detectors correctly, certain connections mount the modules as described in installation on page 4. Detectors can be installed in areas with high aesthetic requirements. Congratulations on purchasing your bosch smart home smoke detector.

It will help you to make your home even safer and smarter. In conjunction with the sale of batteries or supply. Simplisafe smoke detector owner's manual (revision #w3. Go into the attic and hold a noncontact circuit tester next to the electrical cable. 7) in the detector housing with the small latches aligned with their corresponding latch holders.

D296 D297 Installation Manual Fotobeam Bosch Security Alarm Electromagnetic Interference
D296 D297 Installation Manual Fotobeam Bosch Security Alarm Electromagnetic Interference from imgv2-1-f.scribdassets.com
To install the detectors correctly, certain connections mount the modules as described in installation on page 4. To prevent false alarms the detectors should not be mounted in areas of extreme high or low temperatures, in areas where high humidity exist, or in areas where duct air may contain gases or excess dust. Pull outward on the detector to make sure it is this tells you that the smoke detector will not work until a new battery is properly installed. Turn off the circuit breaker that will provide power for the smoke detector. Set up your product in just three steps. Check to make sure whether your smoke detector senses ionization or install smoke detectors on the ceiling. Congratulations on purchasing your bosch smart home smoke detector. Bosch sicherheitssysteme gmbh bosch security systems, inc.

So read the manual carefully and ensure that you have installed the alarm correctly.

Check to make sure whether your smoke detector senses ionization or install smoke detectors on the ceiling. Fcp 500 bosch flush mount smoke. Both types of alarms will sound when they detect smoke. It will help you to make your home even safer and smarter. The duct detector should, when possible, be. 7) in the detector housing with the small latches aligned with their corresponding latch holders. According to the national fire protection association (nfpa), smoke alarms should be installed on every level of your home, in every bedroom, and outside every sleeping area. Congratulations on purchasing your bosch smart home smoke detector. Proper smoke alarm placement in the hallway. Addressable smoke bosch beam smoke detectors application guide d296/d297 (12 pages). This smoke detector head is in good cosmetic condition with the exception of a few scratches and marks and is. Start making your home smart! Bosch sicherheitssysteme gmbh bosch security systems, inc.

Related : Bosch Flush Mount Smoke Detector Installation Manual - Electric smoke detectors are units that are tied into the home's electrical circuits for power instead of relying on batteries for powering the detector..